Bahnzugsensoren mit Abmessungen nach Kundenwunsch
Sie möchten den Bahnzug in Ihrer Anlage messen? Dann sind Sie hier richtig!
Wir helfen Ihnen gerne, auch wenn kein Standard-Bahnzugsensor zu Ihrer Anwendung passt.
Bei vielen Bahnzugsensoren kann man zum Beispiel durch Maßveränderungen den Sensor nach eigenen Vorstellungen modifizieren. Haben Sie eine sehr spezielle Aufgabe für uns oder möchten Sie ein Maschinenteil Ihrer Anlage als Kraftsensor nutzen, übernehmen wir gerne die Neukonstruktion, auch für Einzelgeräte.
Fragen Sie einfach bei uns an! Wir haben vorbereitete Formulare, die Ihnen die Anfrage erleichtern.
Ihre Aufgabe > Ihre Anfrage > Unser Angebot > Sensoren nach Maß
Ihre Aufgabe - unsere Lösung
Mit unseren Bahnzugsensoren nach Maß helfen wir Ihnen, wenn kein Standardsensor zu Ihrer Anwendung passt. Wir versuchen, die technisch beste aber dennoch ökonomische Lösung für Sie zu finden. Je nach Anforderung können schon oft ein paar Modifikationen ausreichen oder wir haben bereits eine ähnliche Lösung realisiert, von der Sie profitieren können.
> Hier können Sie sich über die verschiedenen Themen für Sonderlösungen informieren.
Sollte es schwieriger sein, schreiben Sie uns! Wir bieten gerne eine individuelle Lösung, die zu Ihrer Anwendung passt.




Ihre Anfrage
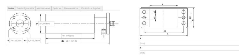
Nehmen Sie mit uns Kontakt auf und schildern Sie uns Ihre Aufgabe. Sie können uns eine Email schreiben und uns alle relevanten Parameter wie Kraftbereich, Abmessungen oder Umgebungsbedingungen schildern. Sie können aber auch direkt mit unseren vorbereiteten Anfrageformularen für z.B. Kraftmessblöcke, einseitig gelagerte Messrollen oder beideitig gelagerte Walzen anfragen. In den Formularen sind die Wunsch-Maße anhand der Skizze leicht einzutragen, Sie brauchen gewünschte Optionen nur auswählen.

| Für Sie vorbereitete Anfrageformulare: | ||
|---|---|---|
| Kraftmessblöcke | Beidseitig gelagerte Messwalzen | Kontaktaufnahme per Email |
| Einseitig gelagerte Messwalzen | Kontaktaufnahme Kurzformular |
Unser Angebot
Wir überprüfen Ihre Anfrage innerhalb weniger Tage auf Machbarkeit und fragen bei Unklarheiten nach. Wir berechnen Ihre Anfrage und machen Ihnen Vorschläge. Wenn alles passt, machen wir Ihnen ein Angebot im Hinblick auf die Stückzahl.
- Als Unternehmen mit über 40 Jahren Anwendungserfahrung bieten wir Ihnen zuverlässige Lösungen
- Dank unserer ständigen, technologischen Weiterentwickelung entspricht unser Angebot dem neusten Stand der Technik
Wir achten immer auf ein optimales Preis-Leistungs-Verhältnis für Sie, je nachdem ob Großserie oder Einzelteil, steht die Wirtschaftlichkeit im Vordergrund. Je nachdem bieten sich für kundenspezifische Lösungen folgende Möglichkeiten an:
- Modifizierung bzw. Ergänzung eines Standard-Kraftsensors mit einer unserer Optionen
- Änderungen in den Abmessungen von Sensoren, die Sie direkt in den Anfrageformularen spezifizieren können
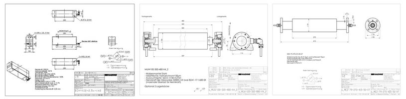
- Berechnung eines bestehenden Bauteils von und Ausformung als Messendes Maschinenelement (MME) aus

Sensoren für Ihre Anforderung
Wenn nach Abstimmung alles passt, liefern wir Ihnen die Bahnzugsensoren, auf Wunsch inklusive Verstärker-Elektronik, um Ihre Anforderungen bestmöglich zu lösen. Sondermaße sind am Ende des Bestellschlüssels mit einem X gekennzeichnet.
Auch nach der Lieferung stehen wir Ihnen für Fragen unterstützend zur Verfügung. Unser Ziel ist es, mit Ihnen langfristig partnerschaftlich zusammenzuarbeiten.



